
SDI5229BQN温度变送器智能板,通过定制的高集成度SoC系统级处理器,精确采集温度传感器的信号,高精度转换成标准的模拟DC4~20mA电流信号远传,并稳定显示测量值。可定制modbus通讯,是集成了温度测量、模拟量变送输出和现场显示为一体的高精密产品。
· 智能化菜单,界面简单,让生产更轻松更高效。
· 系统级处理器,让产品更稳定,更可靠。
· 产品支持热电偶输入10种。
· 产品支持热电阻输入2种,涵盖了绝大部分温度传感器。
· 任意设置变送输出范围,方便现场修改变送器输出范围。
工作电源:DC12~30V (推荐24V)
测量精度:±0.2%FS±1字
整机功耗:≤3.85mA
信号范围:10种热电偶,2种热电阻(见下表2)
输出信号:二线制4-20mA (24V时,带载能力500Ω)。
(电压输出0~10V,0~5V,1~5V可定制)
采样速率:5次/秒
显示范围:-1999~9999
显示方式:4种显示方式可供选择
温度漂移:60PPm/℃
工作温度:-10~50℃
相对湿度:≤85%RH,无强腐蚀性气体
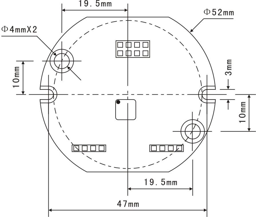
外形尺寸:54x54x26
1.面板说明
2.PCB图
